Система управления помехоустойчивым электронным регулятором оборотов бесщеточного электродвигателя беспилотного воздушного судна
https://doi.org/10.32362/2500-316X-2024-12-1-80-91
Аннотация
Цели. Высокая востребованность и эффективность беспилотных воздушных судов делают актуальным производство их компонентов, одним из которых является регулятор скорости вращения бесщеточного электродвигателя винтомоторной группы. Однако российская промышленность в настоящее время не производит их серийно. Для запуска производства необходимо разработать методики и алгоритмы управления для аппаратной и программной частей устройств данного типа, а также формализовать критерии выбора основных компонентов. Целью работы является создание методики программного управления электродвигателем, включающее структурные схемы, инвариантные алгоритмы и методики расчетного выбора параметров основного микроконтроллера регулятора оборотов.
Методы. Использованы методы алгоритмизации, экспертных оценок, линейных вычислительных процессов и экспериментальных исследований.
Результаты. Представлены теоретические основы управления электродвигателями винтомоторной группы. Предложены структурная схема реализации регулятора, методики коммутации обмоток при управлении с трапецеидальным сигналом, представлены осциллограммы сигналов. На базе теоретических изысканий разработан инвариантный алгоритмический аппарат построения программного обеспечения для различных типов микроконтроллеров. Представлены блок-схемы основных модулей программного средства: алгоритмов событийной коммутации и основного бесконечного цикла микроконтроллера. Формализованы требования к микроконтроллерам для создания различных типов регуляторов оборотов, представленные в виде набора математических выражений. Они позволяют выполнить расчет количества необходимых периферийных устройств и портов микроконтроллера согласно требованиям к регулятору, а также вычислительной мощности используемого ядра.
Выводы. Экспериментальные исследования показали достоверность представленных теоретических изысканий. Полученные результаты могут быть использованы для подбора оптимальной элементной базы и разработки программного обеспечения для регуляторов скорости вращения электродвигателей винтомоторной группы беспилотных воздушных судов.
Ключевые слова
Об авторах
М. В. ПариновРоссия
Паринов Максим Викторович - к.т.н., доцент, кафедра компьютерных интеллектуальных технологий проектирования.
34006, Воронеж, ул. 20-летия Октября, д. 84
Конфликт интересов:
Авторы заявляют об отсутствии конфликта интересов
А. Н. Юров
Россия
Юров Алексей Николаевич - к.т.н., доцент, кафедра компьютерных интеллектуальных технологий проектирования.
34006, Воронеж, ул. 20-летия Октября, д. 84
Конфликт интересов:
Авторы заявляют об отсутствии конфликта интересов
Я. В. Скитский
Россия
Скитский Ярослав Витальевич - аспирант, кафедра конструирования и проектирования радиоаппаратуры.
34006, Воронеж, ул. 20-летия Октября, д. 84
Конфликт интересов:
Авторы заявляют об отсутствии конфликта интересов
Список литературы
1. Уразбахтин Р.Р. Двигатели для беспилотных летательных аппаратов. Международный научно-исследовательский журнал. 2017;2(56):142–144. https://doi.org/10.23670/IRJ.2017.56.100
2. Янтураев М.Ю., Меднов А.А. Электродвигатели летательных аппаратов. В сб.: Актуальные вопросы энергетики в АПК: материалы всероссийской (национальной) научно-практической конференции. Благовещенск: Дальневосточный государственный аграрный университет; 2021. C. 106–113.
3. Yuzawa N., Sakai K. A Permanent Magnet Motor Capable of Pole Changing for Variable Speed Drive. In: International Conference on Electrical Machines and Systems (ICEMS). 2013. P. 1127–1132. https://doi.org/10.1109/ICEMS.2013.6754392
4. Никитин А.О., Петрова А.Р., Петров Р.В. Магнитоэлектрическая система управления оборотами бесколлекторного электродвигателя для беспилотных летательных аппаратов. Вестник Новгородского государственного университета. 2017;7(105):26–31.
5. Пенкин В.Т., Сухов Д.В., Шевцов Д.А., Шишов Д.М. Бездатчиковый регулятор бесколлекторного двигателя постоянного тока с постоянными магнитами на роторе. Практическая силовая электроника. 2014;3(55):46–51.
6. Wen J.-S., Wang C.-H., Chang Y.-D., Teng C.-C. Intelligent Control of High-Speed Sensorless Brushless DC Motor for Intelligent Automobiles. In: 2008 IEEE International Conference on Systems, Man and Cybernetics (IEEE/SMC). 2008. P. 3394–3398. https://doi.org/10.1109/ICSMC.2008.4811822
7. Штаев Д.В. Анализ технологии управления беспилотными летательными аппаратами. Территория новых возможностей. Вестник Владивостокского государственного университета экономики и сервиса. 2019;11(2):113–119. URL: https://cyberleninka.ru/article/n/analiz-tehnologii-upravleniya-bespilotnymi-letatelnymi-apparatami
8. Башкиров А.В., Остроумов И.В., Свиридова И.В. Основы помехоустойчивого кодирования, основные преимущества и недостатки алгоритмов декодирования. Вестник Воронежского государственного технического университета. 2012;8(2):20–22.
9. Ильюшин С.А., Шаронов А.А., Киселев В.В. Разработка блока управления электродвигателем типа BLDC на базе ПЛИС. Информационно-измерительные и управляющие системы. 2015;13(9):51–55.
10. Слепцов В.В., Афонин В.Л., Аблаева А.Е., Динь Б.Ф. Разработка информационно-измерительной и управля ющей системы квадрокоптера. Russian Technological Journal. 2021;9(6):26–36. https://doi.org/10.32362/2500-316X-2021-9-6-26-36
11. Калачёв Ю.Н. SimlnTech: моделирование в электроприводе. М.: ДМК Пресс; 2019. 98 с. ISBN 978-5-97060-766-4
12. Janpan I., Chaisricharoen R., Boonyanant P. Control of the Brushless DC Motor in Combine Mode. Procedia Engineering. 2012;32:279–285. https://doi.org/10.1016/j.proeng.2012.01.1268
13. Yiu J. The Definitive Guide to ARM® Cortex®-M3 and Cortex®-M4 Processors. London: Newnes; 2013. 864 p.
14. Pakdel M. Advanced Programming with STM32 Microcontrollers. Limbricht: Elektor; 2020. 216 p.
Дополнительные файлы
|
|
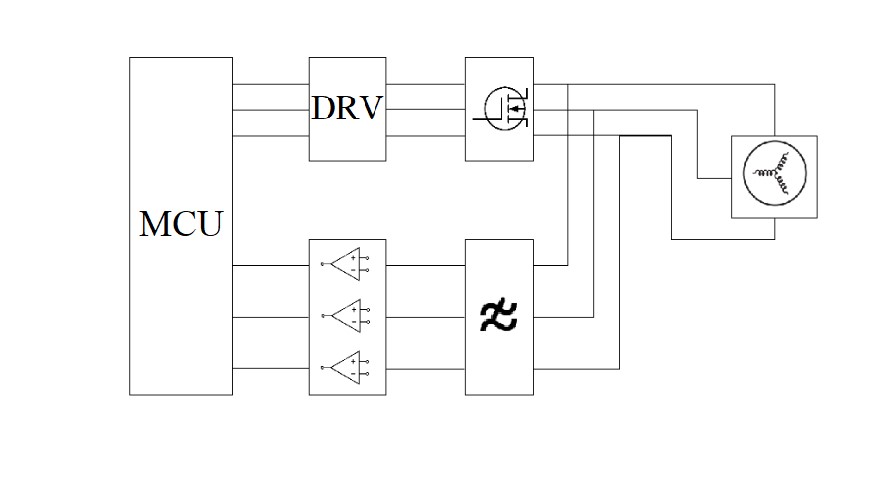
1. Структурная схема аппаратно-программной системы управления регулятором | |
| Тема | ||
| Тип | Исследовательские инструменты | |
Посмотреть
(30KB)
|
Метаданные ▾ | |
- Представлены теоретические основы управления электродвигателями винтомоторной группы. Предложены структурная схема реализации регулятора, методики коммутации обмоток при управлении с трапецеидальным сигналом, представлены осциллограммы сигналов.
- На базе теоретических изысканий разработан инвариантный алгоритмический аппарат построения программного обеспечения для различных типов микроконтроллеров.
- Представлены блок-схемы основных модулей программного средства: алгоритмов событийной коммутации и основного бесконечного цикла микроконтроллера.
- Формализованы требования к микроконтроллерам для создания различных типов регуляторов оборотов, представленные в виде набора математических выражений.
Рецензия
Для цитирования:
Паринов М.В., Юров А.Н., Скитский Я.В. Система управления помехоустойчивым электронным регулятором оборотов бесщеточного электродвигателя беспилотного воздушного судна. Russian Technological Journal. 2024;12(1):80-91. https://doi.org/10.32362/2500-316X-2024-12-1-80-91
For citation:
Parinov M.V., Yurov A.N., Skitskiy Ya.V. Control system for noise-resistant electronic speed controller of a brushless electric motor for an unmanned aerial vehicle. Russian Technological Journal. 2024;12(1):80-91. https://doi.org/10.32362/2500-316X-2024-12-1-80-91
JATS XML


























