Математическая модель DC/DC-преобразователя, построенного по топологии SEPIC
https://doi.org/10.32362/2500-316X-2024-12-1-69-79
Аннотация
Цели. DC/DC-преобразователь, построенный по топологии SEPIC, является униполярным электронным устройством, которое обеспечивает преобразование входного положительного напряжения в стабилизированное выходное напряжение той же полярности с возможностью его регулирования как ниже входного напряжения, так и выше. Цель статьи – выполнить анализ DC/DC-преобразователя в обеих фазах его работы. Для каждой из фаз необходимо составить эквивалентные схемы и получить характеризирующие дифференциальные уравнения с помощью правил Кирхгофа. Каждую систему дифференциальных уравнений нужно привести к виду Коши для дальнейшего преобразования в предельную непрерывную математическую модель, а каждую систему уравнений преобразовать в матричный вид и впоследствии объединить в единую матричную систему.
Методы. Задача построения предельной непрерывной математической модели решена с использованием правил Кирхгофа. Для компьютерного моделирования была применена программа Multisim. Это позволило сопоставить результаты расчета постоянных токов и напряжений и моделирования.
Результаты. Показано, что фазовые координаты математической модели стремятся к значениям реальных токов и напряжений преобразователя при частоте коммутации силового ключа более 200 кГц. Установлено достаточно хорошее соответствие расчетных значений токов и напряжений и их значений, полученных с помощью моделирования (при вариации коэффициента заполнения и частоты коммутации).
Выводы. Полученная предельная непрерывная математическая модель DC/DC-преобразователя, построенного по топологии SEPIC, позволяет оценить зависимость токов, протекающих через обмотки дросселей, и напряжения на конденсаторах от ряда параметров. Предельная непрерывная математическая модель DC/DC-преобразователя, построенного по топологии SEPIC, является базой его схемотехнического проектирования и физико-математического анализа.
Об авторах
А. И. ЛавреновРоссия
Лавренов Алексей Игоревич - ассистент, кафедра радиоволновых процессов и технологий Института радиоэлектроники и информатики.
119454, Москва, пр-т Вернадского, д. 78
Конфликт интересов:
Авторы заявляют об отсутствии конфликта интересов
В. К. Битюков
Россия
Битюков Владимир Ксенофонтович - д.т.н., профессор, профессор кафедры радиоволновых процессов и технологий Института радиоэлектроники и информатики. ResearcherID Y-8325-2018, Scopus Author ID 6603797260.
119454, Москва, пр-т Вернадского, д. 78
Конфликт интересов:
Авторы заявляют об отсутствии конфликта интересов
Список литературы
1. Васюков И.В., Павленко А.В., Батищев Д.В. Обзор и анализ топологий преобразователей систем электропитания на водородных топливных элементах для беспилотных летательных аппаратов киловаттного класса мощности. Известия вузов. Электромеханика. 2022;65(2):19–26. https://doi.org/10.17213/0136-3360-2022-2-19-26
2. Antchev H., Andonov A. Simple PV battery charger without MPPT based on SEPIC converter. Electrotechnica & Electronica (Е+Е). 2019;54(3–4):64–69. URL: https://epluse.ceec.bg/wp-content/uploads/2019/08/20190304-04.pdf
3. Kushwaha R., Singh B. UPF-isolated zeta converter-based battery charger for electric vehicle. IET Electrical Systems in Transportation. 2019;9(3):103–112. https://doi.org/10.1049/iet-est.2018.5010
4. Шаров И.М., Демин О.А., Судаков А.А., Ярлыков А.Д. Разработка и исследование системы бесперебойного питания в сетях с напряжением до 24 В. Russ. Technol. J. 2022;10(5):60–72. https://doi.org/10.32362/2500-316X-2022-10-5-60-72
5. Murthy-Bellur D., Kazimierczuk M.K. Two-transistor Zeta-flyback DC-DC converter with reduced transistor voltage stress. Electron. Lett. 2010;46(10):719–720. https://doi.org/10.1049/el.2010.3494
6. Thirumeni M., Thangavelusamy D. Performance analysis of PI and SMC controlled zeta converter. Int. J. Recent Technol. Eng. 2019;8(3):8700–8706. https://doi.org/10.35940/ijrte.C5242.098319
7. Erickson R.W., Maksimović D. Fundamentals of Power Electronics. NY: Springer; 2020. 1084 p. https://doi.org/10.1007/978-3-030-43881-4
8. Коршунов А.И. Предельная непрерывная модель системы с высокочастотным периодическим изменением структуры. Известия вузов. Приборостроение. 2009;52(9):42−48. URL: https://pribor.ifmo.ru/file/article/4902.pdf
9. Коршунов А.И. Предельная непрерывная модель системы с периодическим высокочастотным изменением структуры. Силовая электроника. 2021;5(92):48−51.
10. Коршунов А.И. Методика построения непрерывных моделей импульсных преобразователей напряжения постоянного тока. Компоненты и технологии. 2006;8(61):124−130. URL: https://kit-e.ru/powerel/metodika-postroeniyanepreryvnyh-modelej-impulsnyh-preobrazovatelej-napryazheniya-postoyannogo-toka/
11. Коршунов А.И. Повышение качества стабилизации выходного напряжения импульсного преобразователя постоянного тока. Известия вузов. Приборостроение. 2013;56(3):48−57. URL: https://pribor.ifmo.ru/file/article/6176.pdf
12. Коршунов А.И. Два подхода к анализу устойчивости стабилизаторов напряжения постоянного тока с переменной структурой силовой части. Практическая силовая электроника. 2017;66:12−19.
13. Коршунов А.И. Импульсный преобразователь напряжения постоянного тока по схеме Чука. Силовая электроника. 2017;4(67):60−66.
14. Коршунов А.И. Особенности стабилизации напряжения постоянного тока с помощью преобразователя Чука. Практическая силовая электроника. 2017;4(68):2−9.
15. Битюков В.К., Лавренов А.И., Малицкий Д.А. Математическая модель DC/DC преобразователя, построенного по Zeta топологии (часть 1). Проектирование и технология электронных средств. 2022;4:53−57.
16. Битюков В.К., Лавренов А.И., Малицкий Д.А. Математическая модель DC/DC преобразователя, построенного по Zeta топологии (часть 2). Проектирование и технология электронных средств. 2023;1:48−53.
17. Битюков В.К., Лавренов А.И., Малицкий Д.А. Анализ пульсаций DC/DC преобразователя, построенного по Zeta топологии, с использованием его предельной непрерывной математической модели. Russ. Technol. J. 2023;11(4):36–48. https://doi.org/10.32362/2500-316X-2023-11-4-36-48
18. Одиноков А.О., Кремзуков Ю.А. Выбор топологии преобразователя постоянного напряжения. SEPIC или Zeta. Практическая силовая электроника. 2022;4(88):44–47.
19. Битюков В.К., Симачков Д.С., Бабенко В.П. Схемотехника электропреобразовательных устройств. Вологда: Инфра-Инженерия; 2023. 384 с. ISBN 978-5-9729-1439-5
20. Бабенко В.П., Битюков В.К. Имитационное моделирование процессов переключения силовых полевых транзисторов в программе Electronics Workbench. Радиотехника и электроника. 2019;64(2):199−205. https://doi.org/10.1134/S0033849419020025
21. Бабенко В.П., Битюков В.К., Кузнецов В.В., Симачков Д.С. Моделирование статических и динамических потерь в MOSFET ключах. Российский технологический журнал. 2018;6(1):20−39. https://doi.org/10.32362/2500-316X-2018-6-1-20-39
Дополнительные файлы
|
|
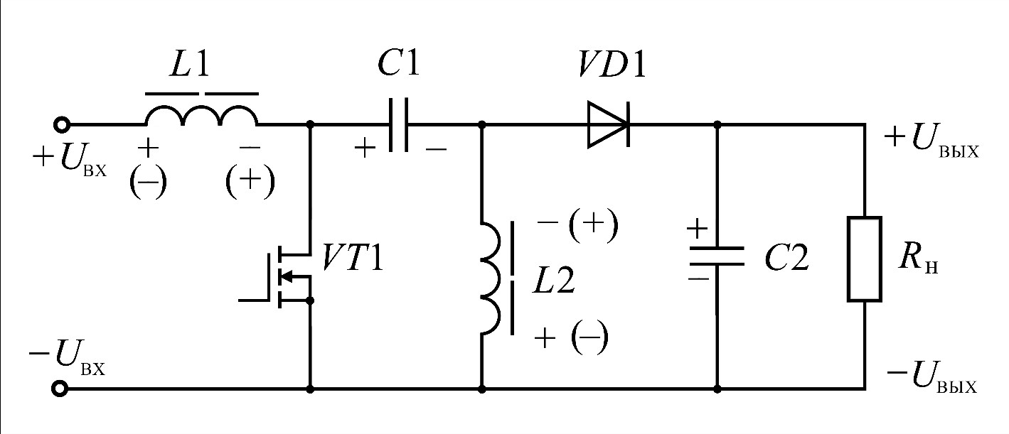
1. Принципиальная электрическая схема DC/DC-преобразователя понижающе-повышающего типа, выполненного по топологии SEPIC | |
| Тема | ||
| Тип | Исследовательские инструменты | |
Посмотреть
(67KB)
|
Метаданные ▾ | |
- Получена предельная непрерывная математическая модель DC/DC-преобразователя, построенного по топологии SEPIC, которая позволяет оценить зависимость токов, протекающих через обмотки дросселей, и напряжения на конденсаторах от ряда параметров.
- Фазовые координаты математической модели стремятся к значениям реальных токов и напряжений преобразователя при частоте коммутации силового ключа более 200 кГц.
Рецензия
Для цитирования:
Лавренов А.И., Битюков В.К. Математическая модель DC/DC-преобразователя, построенного по топологии SEPIC. Russian Technological Journal. 2024;12(1):69-79. https://doi.org/10.32362/2500-316X-2024-12-1-69-79
For citation:
Lavrenov A.I., Bityukov V.K. Mathematical model of a DC/DC converter based on SEPIC topology. Russian Technological Journal. 2024;12(1):69-79. https://doi.org/10.32362/2500-316X-2024-12-1-69-79


























