Оптимальный прием многопозиционных сигналов М-ФМ и М-КАМ с некогерентной обработкой гармонической помехи
https://doi.org/10.32362/2500-316X-2023-11-1-41-50
Аннотация
Цели. Проведенный в работах многих исследователей анализ помехоустойчивости приема многопозиционных сигналов с фазовой (М-ФМ) и квадратурной амплитудной модуляцией (М-КАМ) показал, что качество приема дискретной информации существенно снижается при наличии кроме шумовой помехи еще и нефлуктуационных помех разных видов в канале радиосвязи. Одной из наиболее опасных является прицельная гармоническая помеха, поэтому разработка алгоритмов компенсации влияния такой помехи является актуальной задачей. Существуют различные методы борьбы с такого рода мешающими воздействиями, обладающие большей или меньшей эффективностью. Целью настоящей работы является синтез и анализ оптимального алгоритма приема многопозиционных сигналов М-ФМ и М-КАМ с некогерентной обработкой гармонической помехи.
Методы. Использованы методы статистической радиотехники, теории оптимального приема сигналов и компьютерное моделирование.
Результаты. Выполнен синтез и анализ оптимального алгоритма приема многопозиционных сигналов М-ФМ и М-КАМ с некогерентной обработкой гармонической помехи. Показано, что кроме вычисления корреляционных интегралов в приемнике необходимо формировать весовые коэффициенты, величина которых зависит от степени корреляции помехового колебания, выделенного из принимаемой смеси, с копией помехи, хранящейся в приемнике. Получены зависимости вероятности битовой ошибки от отношения сигнал/шум, расстройки помехи и неточности установки частоты и уровня копии помехи в приемнике. Показано, что выигрыш в помехоустойчивости приема тем выше, чем больше интенсивность гармонической помехи.
Выводы. Синтезированная схема приемника позволяет достаточно эффективно бороться с гармонической помехой. Эффективность ее работы зависит от расстройки гармонической помехи относительно центральной частоты спектра полезного сигнала. Схема некогерентной обработки гармонической помехи сохраняет работоспособность и при небольших (в пределах ±10%) неточностях установки частоты и уровня копии помехи в приемнике.
Об авторах
Г. В. КуликовРоссия
Куликов Геннадий Валентинович, д.т.н., профессор, профессор кафедры радиоэлектронных систем и комплексов Института радиоэлектроники и информатики
119454, Москва, пр-т Вернадского, д. 78
Scopus Author ID 36930533000
Конфликт интересов:
Авторы заявляют об отсутствии конфликта интересов
Ч. Т. До
Россия
До Чунг Тиен, аспирант кафедры радиоэлектронных систем и комплексов Института радиоэлектроники и информатики
119454, Москва, пр-т Вернадского, д. 78
Конфликт интересов:
Авторы заявляют об отсутствии конфликта интересов
А. А. Лелюх
Россия
Лелюх Андрей Александрович, заместитель начальника технического центра специальной аппаратуры
109029, Москва, Нижегородская ул., д. 32
Конфликт интересов:
Авторы заявляют об отсутствии конфликта интересов
В. З. Нгуен
Вьетнам
Нгуен Ван Зунг, ассистент
Ханой, ул. Хоанг Куок Вьет, 236
Конфликт интересов:
Авторы заявляют об отсутствии конфликта интересов
Список литературы
1. Савватеев Ю.И., Назаров О.В. (ред.). Помехозащищенность приема дискретных сигналов. М.: Радиотехника; 2015. 584 с. ISBN 978-5-93108-094-9
2. Петров А.В., Белобородов Д.А. Воздействие фазоманипулированной помехи на канал передачи данных с многопозиционной фазовой манипуляцией. Специальная техника. 2016;3:2–10.
3. Бучинский Д.И., Вознюк В.В., Фомин А.В. Исследование помехоустойчивости приемника сигналов с многопозиционной фазовой манипуляцией к воздействию помех с различной структурой. Труды Военно-космической академии имени А.Ф. Можайского. 2019;671:120–127.
4. Петров А.В. Вероятность ошибочного приема символа в канале с квадратурной амплитудной манипуляцией под воздействием манипулированной по фазе помехи. Информационно-измерительные и управляющие системы. 2018;5:47–53.
5. Ложкин К.Ю., Петров А.В., Прожеторко С.С. Аналитические зависимости средней вероятности искажения бита M-КАМ сигнала на фоне гармонической или фазоманипулированной помех. Электромагнитные волны и электронные системы. 2018;23(5):32–41.
6. Куликов Г.В., Нгуен Ван Зунг, Нестеров А.В., Лелюх А.А. Помехоустойчивость приема сигналов с многопозиционной фазовой манипуляцией в присутствии гармонической помехи. Наукоемкие технологии. 2018;19(11): 32–38.
7. Куликов Г.В., Нестеров А.В., Лелюх А.А. Помехоустойчивость приема сигналов с квадратурной амплитудной манипуляцией в присутствии гармонической помехи. Журнал радиоэлектроники. 2018;11:2. https://doi.org/10.30898/1684-1719.2018.11.9
8. Ложкин К.Ю., Петров А.В., Миронов В.А., Михалёв В.В., Прожеторко С.С. Аналитические зависимости средней вероятности искажения бита М-КАМ-сигнала на фоне гармонической или фазоманипулированной помех с учетом замираний. Радиотехника. 2020;84(4–8):27–35.
9. Куликов Г.В., Лелюх А.А., Баталов Е.В., Кузеленков П.И. Помехоустойчивость приема сигналов с квадратурной амплитудной манипуляцией в присутствии фазоманипулированной помехи. Журнал радиоэлектроники. 2019;7. https://doi.org/10.30898/16841719.2019.7.10
10. Nandi M. Symbol error probablity of coherent PSK system in the presence of two path interference. Int. J. Phys. Appl. (IJPA). 2013;5(2):133–137. URL: http://www.irphouse.com/ijpa/ijpav5n2_10.pdf
11. Widrow B., Stearns S.D. Adaptive signal processing. Prentice-Hall; 1985. 474 p.
12. Куликов Г.В., До Чунг Тиен. Эффективность фазового алгоритма адаптивной фильтрации при приеме сигналов с многопозиционной фазовой манипуляцией. Журнал радиоэлектроники. 2020;4:1. https://doi.org/10.30898/1684-1719.2020.4.9
13. Прилепский А.В., Прилепский В.В., Каменский С.А. Оптимизация спектров сложных фазоманипулированных сигналов при приеме на фоне узкополосных помех и шума. Теория и техника радиосвязи. 2005;1: 44–47.
14. Поборчая Н.Е., Смердова Е.О. Вариационный алгоритм компенсации искажений КАМ сигнала на фоне квазидетерминированной полосовой помехи и аддитивного белого шума. Системы синхронизации, формирования и обработки сигналов. 2014;5(4):141–147.
15. Тихонов В.И. Оптимальный прием сигналов. М.: Радио и связь; 1983. 320 с.
16. Тихонов В.И. Статистическая радиотехника. 2-е изд., перераб. и доп. М.: Радио и связь; 1982. 624 с.
17. Куликов Г.В., Лелюх А.А., Граченко Е.Н. Адаптивная фильтрация гармонической помехи при приеме сигналов с квадратурной амплитудной модуляцией. Журнал радиоэлектроники. 2021;8. https://doi.org/10.30898/1684-1719.2021.8.13
Дополнительные файлы
|
|
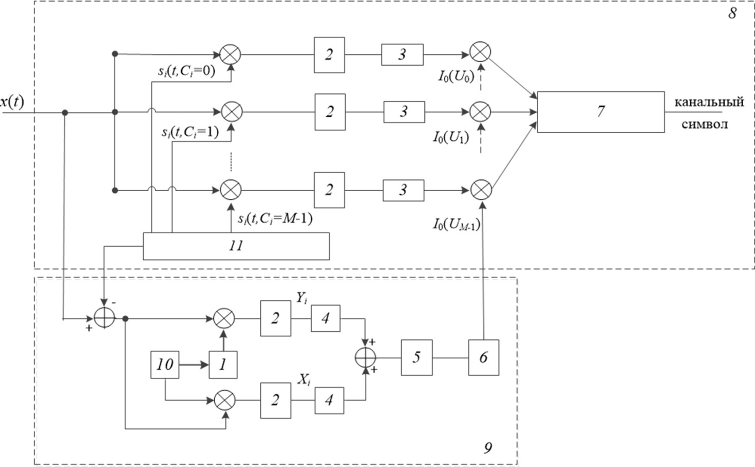
1. Структурная схема оптимального приемника сигналов М-ФМ и М-КАМ с некогерентной обработкой гармонической помехи | |
| Тема | ||
| Тип | Исследовательские инструменты | |
Посмотреть
(98KB)
|
Метаданные ▾ | |
- Выполнен синтез и анализ оптимального алгоритма приема многопозиционных сигналов с фазовой и квадратурной амплитудной модуляцией с некогерентной обработкой гармонической помехи.
- Показано, что кроме вычисления корреляционных интегралов в приемнике необходимо формировать весовые коэффициенты, величина которых зависит от степени корреляции помехового колебания, выделенного из принимаемой смеси, с копией помехи, хранящейся в приемнике.
- Получены зависимости вероятности битовой ошибки от отношения сигнал/шум, расстройки помехи и неточности установки частоты и уровня копии помехи в приемнике.
- Показано, что выигрыш в помехоустойчивости приема тем выше, чем больше интенсивность гармонической помехи.
Рецензия
Для цитирования:
Куликов Г.В., До Ч.Т., Лелюх А.А., Нгуен В.З. Оптимальный прием многопозиционных сигналов М-ФМ и М-КАМ с некогерентной обработкой гармонической помехи. Russian Technological Journal. 2023;11(1):41-50. https://doi.org/10.32362/2500-316X-2023-11-1-41-50
For citation:
Kulikov G.V., Do T.T., Lelyukh A.A., Nguyen V.D. Optimal reception of multiple phase shift keying and quadrature amplitude modulation signals with non-coherent processing of harmonic interference. Russian Technological Journal. 2023;11(1):41-50. https://doi.org/10.32362/2500-316X-2023-11-1-41-50


























