Тестопригодное проектирование интегральных схем и проблемы защиты проектов
https://doi.org/10.32362/2500-316X-2019-7-4-60-70
Аннотация
Проектные решения отечественных СБИС получены в результате применения инструментов автоматизированного проектирования зарубежного поставщика (САПР Synopsys, Cadence Design Systems и Mentor Graphics) на основе библиотек стандартных элементов PDK (Project Design KIT) фабрик и IP-модулей, поставщиками которых также являются в основном зарубежные компании. Как правило, компания-разработчик не имеет собственных производственных мощностей, пользуясь услугами иностранных фабрик (fabless-компании). В этой связи актуальными являются исследования по созданию комплекса мер, исключающих возможности внесения несанкционированных изменений в интегральные схемы (ИС), т. е. защиты проектов от намеренных аппаратных и технологических нарушений, вносимых при формировании управляющей информации для передачи на производство и/или при изготовлении ИС на фабрике. В данной работе эта проблема рассматривается с позиций анализа методологии тестопригодного проектирования (DFT), т.е. комплекса мер, предусматривающих на этапе проектирования получение решений, в которых заложены проверки правильного функционирования изготовленной микросхемы с помощью внешних тестов и/или процедуры самотестирования. Предложено, в частности: 1) проводить анализ применяемых в проекте библиотек стандартных элементов с полным раскрытием их спецификации; 2) на основе библиотек стандартных элементов моделей и программ анализа создавать в проектах узлы с функцией физического неклонирования; 3) проводить анализ применяемых в проекте IP-модулей с максимальным раскрытием структуры, методов и алгоритмов обеспечения тестового покрытия; 4) предусматривать в проектах разработку специальных тестовых наборов и методов их генерации на этапе проектирования функций с целью обнаружения вредоносных узлов и программ как внутри ядер СнК, так и на уровне системных шин; 5) разрабатывать на этапе проектирования и применять при тестах методики специальных аппаратных измерений параметров изготовленных схем и анализа их результатов, в частности, по данным измерений задержек распространения сигналов и/или токов потребления шин.
Ключевые слова
Об авторах
Е. Ф. ПевцовРоссия
кандидат технических наук, доцент, директор Центра проектирования интегральных схем, устройств наноэлектроники и микросистем
Scopus Author ID 6602652601
ResearcherID M-2709-2016
119454, Россия, Москва, пр-т Вернадского, д. 78
Т. А. Деменкова
Россия
кандидат технических наук, доцент кафедры вычислительной техники Института информационных технологий
Scopus Author ID 57192958412
119454, Россия, Москва, пр-т Вернадского, д. 78
А. А. Шнякин
Россия
программист Центра проектирования интегральных схем, устройств наноэлектроники и микросистем
119454, Россия, Москва, пр-т Вернадского, д. 78
Список литературы
1. Вонг Б.П. Миттал А., Старр Г. Нано-КМОП-схемы и проектирование на физическом уровне. М.: Техносфера, 2014. 432 с.
2. Wang L.T., Chang Y.W., Cheng K.T.T. Electronic design automation: Synthesis, verification, and test.New York: Morgan Kaufmann, 2009. 971 p.
3. Рабаи Жан М., Чандракасан А., Николич Б. Цифровые интегральные схемы. Методология проектирования. 2-е изд.: Пер. с англ. М.: ООО «И.Д. Вильямс», 2016. 912 с.
4. Стотланд И.А. Метод динамической верификации модулей системного обмена микропроцессорных вычислительных комплексов // Научно-технический вестник Поволжья. 2012. № 4. C. 191–196.
5. Бобков С.Г. Создание высокопроизводительных доверенных систем на базе микропроцессоров с архитектурой КОМДИВ // Наноиндустрия. 2017. № S(74). С. 14–17.
6. Губарев В.А., Воронков С.О., Антюфеев Г.В. Системное моделирование цифровых устройств в стиле блочного проектирования СБИС СнК // Вопросы радиоэлектроники. Серия «Электронная вычислительная техника (ЭВТ)». 2012. Вып. 2. С. 138–146.
7. Белоус А.И., Солодуха В.А., Шведов С.В. Программные и аппаратные трояны – способы внедрения и методы противодействия. Первая техническая энциклопедия: в 2-х кн. / Под. общ. ред. А.И. Белоуса. М.: Техносфера, 2018. 1318 с.
8. IEEE 1500 Embedded Core Test. URL: http://grouper.ieee.org/groups/1500 (дата обращения 01.07.2019).
9. Shnyakin A.A., Pevtsov E.Ph., Demenkova T.A. Improving the functionality of the semiconductor matrix receiver of optical radiation // In: Proceed. VII Int. Conf. «Modern Technologies for Non-Destructive Testing» IOP Conf. Series: Materials Science and Engineering. IOP Publishing. 2018. V. 457. P. 012015. https://doi.org/10.1088/1757-899X/457/1/012015
Дополнительные файлы
|
|
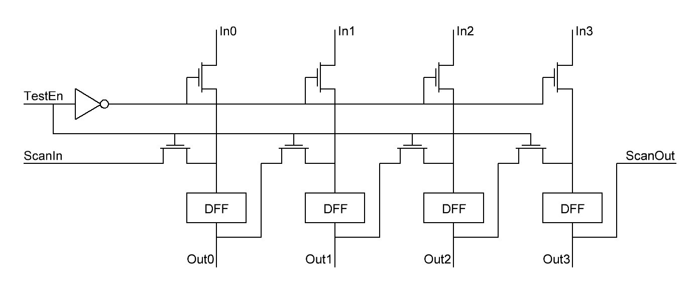
1. Рис. 1. Схема 4-битного регистратора с цепью последовательного сканирования. | |
| Тема | ||
| Тип | Research Instrument | |
Посмотреть
(50KB)
|
Метаданные ▾ | |
|
|
2. Рис. 2. | |
| Тема | ||
| Тип | Research Instrument | |
Посмотреть
(28KB)
|
Метаданные ▾ | |
|
|
3. Рис. 3. | |
| Тема | ||
| Тип | Research Instrument | |
Посмотреть
(42KB)
|
Метаданные ▾ | |
Рецензия
Для цитирования:
Певцов Е.Ф., Деменкова Т.А., Шнякин А.А. Тестопригодное проектирование интегральных схем и проблемы защиты проектов. Russian Technological Journal. 2019;7(4):60-70. https://doi.org/10.32362/2500-316X-2019-7-4-60-70
For citation:
Pevtsov E.P., Demenkova T.A., Shnyakin A.A. Design for Testability of Integrated Circuits and Project Protection Difficulties. Russian Technological Journal. 2019;7(4):60-70. https://doi.org/10.32362/2500-316X-2019-7-4-60-70


























