Разработка сверхвысокочастотного фильтра нижних частот на основе проекционной модели микрополосковой линии
https://doi.org/10.32362/2500-316X-2025-13-3-92-102
EDN: OEBXOF
Аннотация
Цели. Отрезки микрополосковых линий конечной длины применяются для разработки интегральных схем и устройств сверхвысоких частот (СВЧ) различного назначения, таких как делители мощности, направленные ответвители, аттенюаторы и фильтры, имеющих, в большинстве случаев, сложную топологическую структуру. В частности, фильтры нижних частот (ФНЧ) СВЧ-диапазона представляют собой ступенчатое соединение регулярных отрезков микрополосковых линий с различными геометрическими параметрами. Однако современные подходы к расчету фильтров СВЧ при помощи коммерческих программ требуют больших вычислительных и временных затрат, связанных, в частности, с предложенными подходами к электродинамическому анализу микрополосковых линий. Целью статьи является разработка алгоритма и методики расчета фильтров с использованием проекционного подхода к электродинамическому анализу микрополосковых линий, позволяющих сократить время расчета характеристик фильтров СВЧ при сохранении высокой точности полученных результатов.
Методы. Предложен проекционный подход к проведению электродинамического анализа микрополосковой линии, позволяющий быстро и с высокой точностью проводить расчет ее основных электродинамических параметров – коэффициента замедления и волнового сопротивления в широком диапазоне изменения геометрических параметров линии, ее диэлектрической проницаемости и частоты.
Результаты. На базе аналитических выражений для расчета электродинамических параметров микрополосковой линии получены формулы для описания характера изменений элементов матрицы рассеяния многокаскадных ФНЧ в заданной полосе частот. Разработана компьютерная программа, позволяющая рассчитывать значения элементов матрицы рассеяния ФНЧ в широком диапазоне диэлектрической проницаемости подложки и частоты. Проведено сравнение полученных результатов с характеристиками фильтров, рассчитанных при помощи коммерческих программ.
Выводы. Предложенный подход к расчету электродинамических параметров микрополосковых линий и, как следствие, элементов матрицы рассеяния многокаскадных ФНЧ позволяет значительно сократить время расчетов при достижении достаточно высокой точности полученных результатов, что значительно снижает трудозатраты при проектировании фильтров СВЧ в инженерной практике.
Об авторах
А. Д. ЯрлыковРоссия
Ярлыков Алексей Дмитриевич, старший преподаватель, кафедра радиоволновых процессов и технологий
119454, Россия, Москва, пр-т Вернадского, д. 78
Scopus AuthorID 57290652000
Конфликт интересов:
Авторы заявляют об отсутствии конфликта интересов.
О. А. Демин
Россия
Демин Олег Александрович, ассистент, кафедра радиоволновых процессов и технологий
119454, Россия, Москва, пр-т Вернадского, д. 78
Конфликт интересов:
Авторы заявляют об отсутствии конфликта интересов.
Список литературы
1. Петров И.А. Фильтры СВЧ с использованием широкополосных согласующих структур. Физика волновых процессов и радиотехнические системы. 2011;14(1):51–56.
2. Ламанов Ю.А., Кудрявцева Т.О., Дроботун Н.Б. Разработка и исследование микрополоскового фильтра низких частот с высокой крутизной спада АЧХ. Доклады Томского государственного университета систем управления и радиоэлектроники (Доклады ТУСУР). 2021;24(2):7–13. https://doi.org/10.21293/1818-0442-2021-24-2-7-13
3. Справочник по элементам полосковой техники; под ред. А.Л. Фельдштейна. М.: Связь; 1979. 336 с.
4. Гупта К., Гардж Р., Чадха Р. Машинное проектирование СВЧ устройств: пер. с англ. М.: Радио и связь; 1987. 432 с.
5. Лопатин В.В., Хворенко В.В. Моделирование и реализация микрополоскового фильтра. В сб.: Информационные технологии в науке, промышленности и образовании: сборник трудов научно-технической конференции. Ижевск; 2021. С. 166–176.
6. Коваленко А.Н. Проекционный метод построения электродинамических моделей полосковых линий. Радиотехника и электроника. 2019;64(2):108–115. https://doi.org/10.1134/S0033849419020128
7. Коваленко А.Н., Ярлыков А.Д. Численный анализ экранированной микрополосковой линии. В сб.: Актуальные проблемы и перспективы развития радиотехнических и инфокоммуникационных систем (Радиоинфоком-2021): Сборник научных статей V Международной научно-практической конференции. М.: РТУ МИРЭА; 2021. С. 331–334.
8. Коваленко А.Н., Ярлыков А.Д. Повышение эффективности проекционных моделей полосковых линий. Радиотехника и электроника. 2021;66(9):837–844. https://doi.org/10.31857/S0033849421090084
9. Коваленко А.Н., Ярлыков А.Д. Аналитические выражения для электродинамических параметров экранированной микрополосковой линии. Russian Technological Journal. 2021;9(4):68–76. https://doi.org/10.32362/2500-316X-2021-9-4-68-76
10. Фуско В. СВЧ цепи. Анализ и автоматизированное проектирование: пер. с англ. М.: Радио и связь; 1990. 288 с.
11. Маттей Д.Л., Янг Л., Джонс Е.М.Т. Фильтры СВЧ, согласующие цепи и цепи связи: пер. с англ. М.: Связь; 1972. Т. 1. 496 с.
12. Костин М.С., Ярлыков А.Д. Устройства и модули сверхвысоких частот. М., Вологда: Инфра-Инженерия; 2022. 400 с.
13. Малорацкий Л.Г., Явич Л.Р. Проектирование и расчет СВЧ-элементов на полосковых линиях. М.: Советское радио; 1972. 232 с.
14. Коваленко А.Н. Собственные волны микрополосковой линии. Изв. вузов. Радиофизика. 1978;21(2):188–194.
Дополнительные файлы
|
|
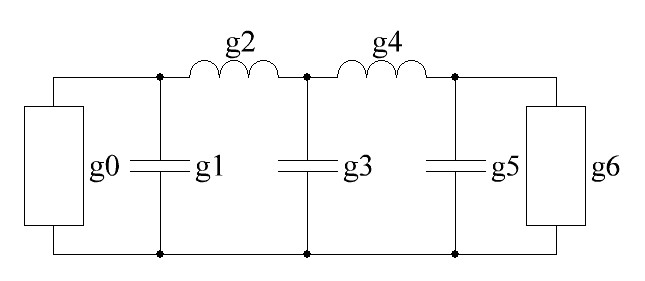
1. Эквивалентная схема низкочастотного прототипа пятизвенного фильтра нижних частот | |
| Тема | ||
| Тип | Исследовательские инструменты | |
Посмотреть
(17KB)
|
Метаданные ▾ | |
- Предложен проекционный подход к проведению электродинамического анализа микрополосковой линии, позволяющий быстро и с высокой точностью проводить расчет ее основных электродинамических параметров – коэффициента замедления и волнового сопротивления в широком диапазоне изменения геометрических параметров линии, ее диэлектрической проницаемости и частоты.
- Получены формулы для описания характера изменений элементов матрицы рассеяния многокаскадных фильтров нижних частот (ФНЧ) в заданной полосе частот.
- Разработана компьютерная программа, позволяющая рассчитывать значения элементов матрицы рассеяния ФНЧ в широком диапазоне диэлектрической проницаемости подложки и частоты.
Рецензия
Для цитирования:
Ярлыков А.Д., Демин О.А. Разработка сверхвысокочастотного фильтра нижних частот на основе проекционной модели микрополосковой линии. Russian Technological Journal. 2025;13(3):92-102. https://doi.org/10.32362/2500-316X-2025-13-3-92-102. EDN: OEBXOF
For citation:
Yarlykov A.D., Demin O.A. Development of a microwave low-pass filter based on a microstrip line projection mode. Russian Technological Journal. 2025;13(3):92-102. https://doi.org/10.32362/2500-316X-2025-13-3-92-102. EDN: OEBXOF


























