Оптимальная нелинейная фильтрация сигналов М-ФМ на фоне гармонической помехи со случайной начальной фазой
https://doi.org/10.32362/2500-316X-2021-9-6-46-56
Аннотация
Цели. Широкое распространение радиосистем передачи данных с использованием сигналов с многопозиционной фазовой манипуляции (М-ФМ) обусловлено их высокой помехоустойчивостью и простотой построения передающей и приемной частей аппаратуры. Проведенные исследования показали, что наличие в радиоканале, кроме шумовой, нефлуктуационных, в частности, гармонических помех существенно снижает помехоустойчивость приема дискретной информации, энергетический проигрыш в этом случае в зависимости от интенсивности помехи может составлять от долей дБ до 10 дБ и более, поэтому борьба с ними является важной задачей для таких радиосистем. Цель работы – синтез и анализ алгоритма оптимальной нелинейной фильтрации сигналов М-ФМ на фоне гармонической помехи со случайной начальной фазой.
Методы. Использованы положения теории оптимальной нелинейной фильтрации сигналов и методы статистической радиотехники.
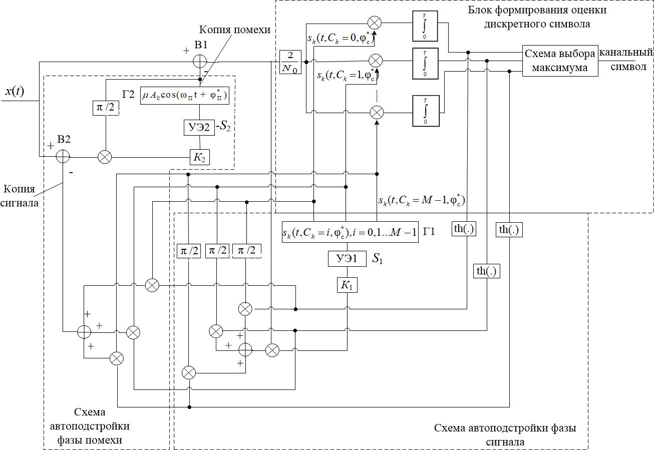
Результаты. Проведены синтез и анализ алгоритма оптимальной нелинейной фильтрации сигналов М-ФМ на фоне гармонической помехи со случайной начальной фазой. Синтезированный приемник содержит блок оценки дискретного символа, две схемы фазовой автоподстройки частоты опорных генераторов, формирующих оценочные копии сигнала и помехи, и перекрестные связи между ними, получены аналитические выражения, позволяющие рассчитать зависимости вероятности битовой ошибки от отношения сигнал/шум и интенсивности помехи µ. Установлено, что нескомпенсированные флуктуации начальной фазы полезного сигнала оказывают большее влияние на помехоустойчивость приемника, чем аналогичные флуктуации фазы гармонической помехи, особенно при малой позиционности сигналов.
Выводы. Сравнение полученных результатов с результатами, полученными в случае отсутствия цепи компенсации гармонической помехи, показывает, что использование полученных алгоритмов фильтрации фаз позволяет обеспечить практически полное подавление гармонической помехи. Так, при µ = 0.5 для вероятности ошибки Peb = 10−2 энергетический выигрыш при М = 2 составляет около 2.5 дБ, при М = 4 – около 6 дБ, при М = 8 и М = 16 – не менее 10 дБ.
Об авторах
Г. В. КуликовРоссия
Куликов Геннадий Валентинович, д.т.н., профессор, кафедра радиоэлектронных систем и комплексов Института радиотехнических и телекоммуникационных систем
119454, Россия, Москва, пр-т Вернадского, д. 78
Scopus Author ID 36930533000
Чунг Тиен До
Россия
До Чунг Тиен, аспирант, кафедра радиоэлектронных систем и комплексов Института радиотехнических и телекоммуникационных систем
119454, Россия, Москва, пр-т Вернадского, д. 78
Е. В. Самохина
Россия
Самохина Елена Викторовна, к.т.н., доцент, кафедра телекоммуникаций Института радиотехнических и телекоммуникационных систем
119454, Россия, Москва, пр-т Вернадского, д. 78
Список литературы
1. Фомин А.И., Ялин A.K. Помехоустойчивость приема цифровых фазоманипулированных сигналов на фоне синусоидальной помехи и гауссовского шума. Телекоммуникации. 2013;10:19−26.
2. Куликов Г.В., Нгуен Ван Зунг, Нестеров А.В., Лелюх А.А. Помехоустойчивость приема сигналов с многофазной фазовой манипуляцией при наличии гармонических помех. Наукоемкие технологии. 2018;11:32−38.
3. Куликов Г.В., Нгуен Ван Зунг, До Чунг Тиен. Влияние фазоманипулированной помехи на помехоустойчивость корреляционного демодулятора сигналов с многопозиционной фазовой манипуляцией. Российский технологический журнал. 2019;7(2):18−28. https://doi.org/10.32362/2500-316X-2019-7-2-18-28
4. Нгуен Ван Зунг. Помехоустойчивость когерентного приема сигналов с многофазной фазовой манипуляцией при наличии ретранслированных помех. Журнал радиоэлектроники. 2019;3. https://doi.org/10.30898/1684-1719.2019.3.4
5. Kulikov G.V., Nguyen Van Dung, Kulagin V.P. Simulation of a coherent demodulator of M-ary phase shift keying signals in the presence of non-fluctuation interferences. In: 2019 IEEE International Conference on Real-time Computing and Robotics (RCAR). 2019, p. 149−152. https://doi.org/10.1109/RCAR47638.2019.9044009
6. Петров А.В. Помехоустойчивость приема сигналов с двоичной фазовой манипуляцией при воздействии хаотической импульсной помехи со случайной длительностью и фазой радиоимпульса. Радиотехника. 2018;8:28−33.
7. Звонарев В.В., Карабельников И.А., Попов А.С. Вероятность ошибки приема BPSK-сигнала в присутствии подобной помехи. Вопросы радиоэлектроники. 2019;3:55−59. https://doi.org/10.21778/2218-5453-2019-3-55-59
8. Тихонов В.И., Кульман Н.К. Нелинейная фильтрация и квазикогерентный прием сигналов. М.: Сов. Радио; 1975. 704 с.
9. Тихонов В.И. Статистическая радиотехника. 2-е изд., перераб. и доп. М.: Радио и связь; 1982. 624 с.
10. Тихонов В.И., Харисов В.И., Смирнов В.А. Оптимальная фильтрация дискретно-непрерывных процессов. Радиотехника и электроника. 1978;23(7):1441−1452.
11. Прокис Дж. Цифровая связь: пер. с англ.; под ред. Д.Д. Кловского. М.: Радио и связь; 2000. 800 с. ISBN 5-256-01434-X
12. Ярлыков М.С., Миронов М.А. О применимости гауссовой аппроксимации в марковской теории оптимальной нелинейной фильтрации. Радиотехника и электроника. 1972;17(11):2285−2294.
13. Ярлыков М.С. Применение марковской теории нелинейной фильтрации в радиотехнике. М.: Сов. Радио; 1980. 258 с.
14. Градштейн И.С., Рыжик И.М. Таблицы интегралов, сумм, рядов и произведений. М.: Наука; 1971. 1108 с.
15. Бейтмен Г., Эрдейи А. Таблицы интегральных преобразований: в 2 т.; пер с англ. М.: Наука; 1968. Т. 1. 344 с.
Дополнительные файлы
|
|
1. Структурная схема квазикогерентного приемника сигнала c многопозиционной фазовой манипуляцией на фоне гармонической помехи со случайной начальной фазой | |
| Тема | ||
| Тип | Исследовательские инструменты | |
Посмотреть
(120KB)
|
Метаданные ▾ | |
Проведены синтез и анализ алгоритма оптимальной нелинейной фильтрации сигналов c многопозиционной фазовой манипуляцией на фоне гармонической помехи со случайной начальной фазой. Синтезированный приемник содержит блок оценки дискретного символа, две схемы фазовой автоподстройки частоты опорных генераторов, формирующих оценочные копии сигнала и помехи, и перекрестные связи между ними. Установлено, что нескомпенсированные флуктуации начальной фазы полезного сигнала оказывают большее влияние на помехоустойчивость приемника, чем аналогичные флуктуации фазы гармонической помехи, особенно при малой позиционности сигналов.
Рецензия
Для цитирования:
Куликов Г.В., До Ч., Самохина Е.В. Оптимальная нелинейная фильтрация сигналов М-ФМ на фоне гармонической помехи со случайной начальной фазой. Russian Technological Journal. 2021;9(6):46-56. https://doi.org/10.32362/2500-316X-2021-9-6-46-56
For citation:
Kulikov G.V., Do T., Samokhina E.V. Optimal nonlinear filtering of M-PSK signals against a background of harmonic interference with a random initial phase. Russian Technological Journal. 2021;9(6):46-56. https://doi.org/10.32362/2500-316X-2021-9-6-46-56


























