Проектирование преселектора радиоприемника в диапазоне метровых волн
https://doi.org/10.32362/2500-316X-2021-9-6-37-45
Аннотация
Цели. Качество преселектора радиоприемника в значительной мере определяет его основные характеристики, в том числе чувствительность. Преселектор обычно состоит из линейных элементов – катушек индуктивности, конденсаторов, малошумящих усилителей и ключей. При работе на высоких частотах нельзя считать эти компоненты идеальными, так как активные и реактивные паразитные параметры вносят значительный вклад в частотную характеристику цепей. Поэтому для моделирования высокочастотных схем требуются более сложные модели компонентов, учитывающие паразитные составляющие. Однако при применении для всех компонентов уточненных моделей или S-параметров вероятность получения неудовлетворительных результатов сохраняется, поскольку соединительные линии и контактные площадки также вносят заметные искажения в частотную характеристику. Это наблюдается и для коротких линий длиной около 5 мм, которые оказывают влияние на частотах порядка 100 МГц. Поэтому подобные явления необходимо учитывать при разработке. Цель работы – обеспечение требуемых характеристик преселектора в процессе его автоматизированного схемотехнического проектирования на основе компьютерного моделирования.
Методы. Использована методика Гурова Е.В. для проектирования аналоговых фильтров диапазона метровых волн, но применительно к преселектору радиоприемника. Она включает в себя методы дискретной оптимизации, имитационного моделирования Монте-Карло, метод моментов для электромагнитного моделирования с использованием функции Грина. Экспериментальные результаты получены путем изготовления опытного образца и измерений с помощью векторного анализатора цепей.
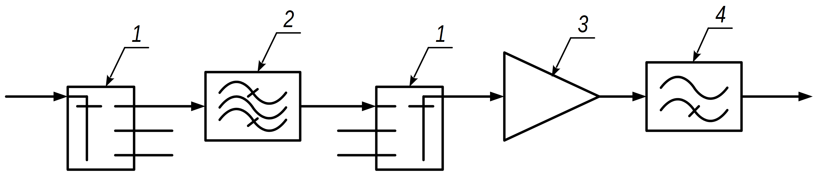
Результаты. Представлен процесс проектирования преселектора радиоприемника диапазона метровых волн, состоящего из двух аналоговых ключей, полосового фильтра на сосредоточенных компонентах, малошумящего усилителя и фильтра высоких частот. Приведены результаты моделирования и экспериментальные результаты, их сравнение.
Выводы. Проведенные численные и натурные исследования позволяют говорить о том, что методика Гурова Е.В. для проектирования аналоговых LC-фильтров в диапазоне метровых волн применима и для более сложных цепей, таких как преселектор радиоприемника.
Об авторах
Е. В. ГуровРоссия
Гуров Егор Владимирович, к.т.н., ведущий инженер (Исследования и разработки)
115184, Россия, Москва, ул. Большая Татарская, д. 9
С. У. Увайсов
Россия
Увайсов Сайгид Увайсович, д.т.н., профессор, заведующий кафедрой конструирования и производства радиоэлектронных средств Института радиотехнических и телекоммуникационных систем
119454, Россия, Москва, пр-т Вернадского, д. 78
Scopus Author ID 55931417100, ResearcherID H-6746-2015
В. В. Черноверская
Россия
Черноверская Виктория Владимировна, к.т.н., доцент, кафедра конструирования и производства радиоэлектронных средств Института радиотехнических и телекоммуникационных систем
119454, Россия, Москва, пр-т Вернадского, д. 78
Р. М. Увайсов
Россия
Увайсов Руслан Магомедович, магистрант 2-го года обучения, кафедра конструирования и производства радиоэлектронных средств Института радиотехнических и телекоммуникационных систем
119454, Россия, Москва, пр-т Вернадского, д. 78
Список литературы
1. Brannon B. Basics of designing a digital radio receiver (Radio 101). Analog Devices. 1998. URL: https://www.analog.com/en/technical-articles/basics-designingdigital-radio-receiver.html, дата обращения 25.10.2021
2. Гуров Е.В., Роткевич А.С. Экспериментальная оценка чувствительности радиоприемника при различных структурах входной цепи. В сб.: Межвузовская научно-техническая конференция студентов, аспирантов и молодых специалистов имени Е.В. Арменского: материалы конференции. М.: МИЭМ НИУ ВШЭ; 2018. С. 135−136.
3. Гуров Е.В. Влияние радиочастотного фильтра на ухудшение соотношения сигнал/шум малошумящего усилителя: экспериментальная оценка. Технологии электромагнитной совместимости. 2017;2(61):49−55.
4. Paarmann L.D. Design and Analysis of Analog Filters: A Signal Processing Perspective. NY: Kluwer Academic Publishers; 2001. 440 p.
5. Гуров Е.В., Увайсов С.У., Увайсова А.С., Увайсова С.С. Алгоритм дискретной параметрической оптимизации для решения задач синтеза аналоговых фильтров диапазона очень высоких частот. Качество. Инновации. Образование. 2019;2(160):53−63. https://doi.org/10.31145/1999-513x-2019-2-53-63
6. Смирнов А.В. Метод одновременной оптимизации характеристик электрических фильтров в частотной и временной областях. Российский технологический журнал. 2018;6(6):13−27. https://doi.org/10.32362/2500-316X-2018-6-6-13-27
7. Hassan A.H. Design and Size Reduction Analysis of Micro Strip HBP Filters. Masterʼs Thesis in Electronics. Master’s Program in Electronics/Telecommunications. Sweden, Gävle: University of Gävle. January, 2015. 68 p.
8. Кечиев Л.Н. Проектирование печатных плат для цифровой быстродействующей аппаратуры. М.: Группа ИДТ; 2007. 616 c. ISBN 978-5-94833-024-2
9. Gurov E., Uvaysova A.S., Uvaysov S.U., Uvaysov R.M. Design method for non-tunable LC-filters. In: 2020 Moscow Workshop on Electronic and Networking Technologies (MWENT). 2020. https://doi.org/10.1109/MWENT47943.2020.9067472
10. Хибель М. Основы векторного анализа цепей: пер. с англ. М.: Издательский дом МЭИ; 2009. 501 с. ISBN 978-5-383-01305-2
11. Гуров Е.В., Увайсов С.У., Увайсова А.С., Увайсова С.С. Номинальные и эффективные значения параметров катушек индуктивности и конденсаторов на высоких частотах. Российский технологический журнал. 2019;7(4):44−53. https://doi.org/10.32362/2500-316X-2019-7-4-44-53
12. Cain J. Parasitic Inductance of Multylayer Ceramic Capacitors. KYOCERA AVX Components Corporation. February 2002. URL: https://www.avx.com/docs/techinfo/CeramicCapacitors/parasitc.pdf
Дополнительные файлы
|
|
1. Структурная схема преселектора: 1 – аналоговый ключ; 2 – полосовой фильтр; 3 – малошумящий усилитель; 4 – фильтр высоких частот | |
| Тема | ||
| Тип | Исследовательские инструменты | |
Посмотреть
(39KB)
|
Метаданные ▾ | |
Представлен процесс проектирования преселектора радиоприемника диапазона метровых волн, состоящего из двух аналоговых ключей, полосового фильтра на сосредоточенных компонентах, малошумящего усилителя и фильтра высоких частот. Приведены результаты моделирования и экспериментальные результаты, их сравнение. Проведенные численные и натурные исследования позволяют говорить о том, что методика применима и для более сложных цепей, таких как преселектор радиоприемника.
Рецензия
Для цитирования:
Гуров Е.В., Увайсов С.У., Черноверская В.В., Увайсов Р.М. Проектирование преселектора радиоприемника в диапазоне метровых волн. Russian Technological Journal. 2021;9(6):37-45. https://doi.org/10.32362/2500-316X-2021-9-6-37-45
For citation:
Gurov E.V., Uvaysov S.U., Chernoverskaya V.V., Uvaysov R.M. Very high frequency radio receiver preselector design. Russian Technological Journal. 2021;9(6):37-45. https://doi.org/10.32362/2500-316X-2021-9-6-37-45


























